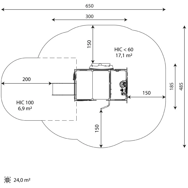
Longueur | 300 cm |
Largeur | 185 cm |
Hauteur totale | 170 cm |
Groupe d'âge | 2 - 8 années |
Nombre d'utilisateurs | 15 Enfants |
Zone de sécurité | 24,0 m2 |
Hauteur de chute libre | <60 cm |
La hauteur de la plateforme | 10, 59 cm |
Hauteur de la plateforme du toboggan | 59 cm |
conformément à la norme EN | 1176-1:2017+A1:2023 |
disponibilité des pièces de rechange | oui |

MATÉRIAUX
DE HAUTE QUALITÉ

CERTIFICATS EMIS PAR DES INSTITUTIONS
DE REPUTATION MONDIALE ET FIABLES

PRODUCTION , EMBALLAGE ET LIVRAISON REALISES AVEC PROFESSIONNALISME