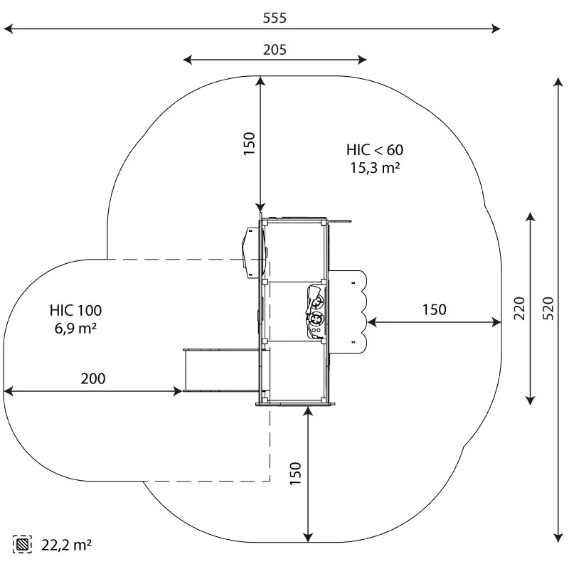
Länge | 205 cm |
Breite | 220 cm |
Gesamthöhe | 170 cm |
Altersgruppe | 2 - 8 jahre |
Anzahl der Benutzer | 12 kinder |
Sicherheitsbereich | 22,2 m2 |
Höhe des freien Falls | <60 cm |
Die Höhe der Plattformen | 10, 35, 59 cm |
Höhe Rutschenplattform | 59 cm |
Entsprechend der Norm EN | 1176-1:2017+A1:2023 |
Verfügbarkeit von Ersatzteilen | Ja |

MATERIALIEN IN
HOHER QUALITÄT

ZERTIFIKATE
ZUVERLÄSSIGER EINRICHTUNGEN

PROFESSIONELLE PRODUKTE, VERPACKUNG UND LIEFERUNG