Długość | 300 cm |
Szerokość | 185 cm |
Wysokość całkowita | 170 cm |
Grupa wiekowa | 2 - 8 lat |
Ilość dzieci | 15 dzieci |
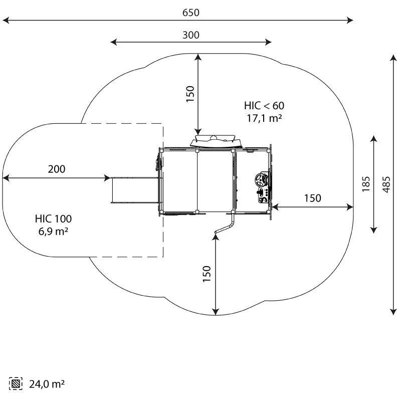
Strefa bezpieczeństwa | 24,0 m2 |
Wysokość swobodnego upadku | <60 cm |
Wysokość podestów | 10, 59 cm |
Zjeżdżalnie | 59 cm |
Zgodność z normą PN-EN | 1176-1+A1:2024-03 |
Dostępność części zamiennych | TAK |

Profesjonalna produkcja, pakowanie i dostawa

Certyfikaty renomowanych instytucji

Najwyższa jakość materiałów