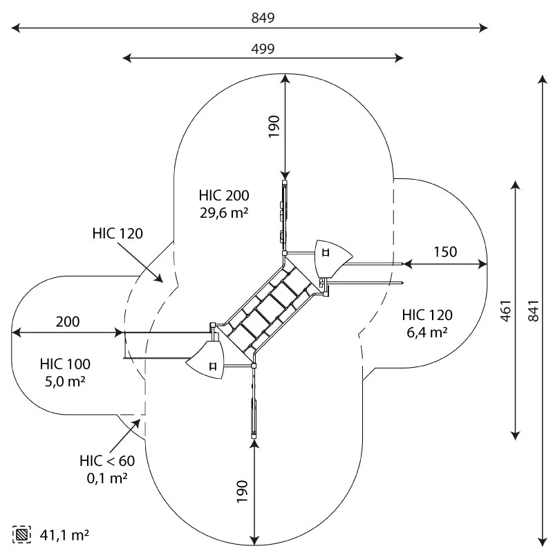
Długość  |  499 cm  | 
Szerokość  |  461 cm  | 
Wysokość całkowita  |  316 cm  | 
Grupa wiekowa  |  3 - 14 lat  | 
Ilość dzieci  |  13 dzieci  | 
Strefa bezpieczeństwa  |  41,4 m2  | 
Wysokość swobodnego upadku  |  200 cm  | 
Wysokość podestów  |  120 cm  | 
Zjeżdżalnie  |  120 cm  | 
Zgodność z normą PN-EN  |  1176-1+A1:2024-03  | 
Masa najcięższej części  |  25 kg  | 
Wymiar największej części  |  365x8x8 cm  | 
Dostępność części zamiennych  |  TAK  | 
Czas montażu  |  5,5 h  | 
  
					
					
Profesjonalna produkcja, pakowanie i dostawa

Certyfikaty renomowanych instytucji

Najwyższa jakość materiałów





































