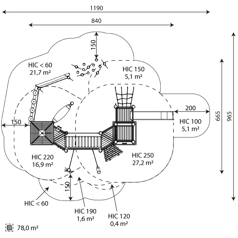
Długość | 840 cm |
Szerokość | 665 cm |
Wysokość całkowita | 445 cm |
Grupa wiekowa | 6+ lat |
Ilość dzieci | 38 dzieci |
Strefa bezpieczeństwa | 78,0 m2 |
Wysokość swobodnego upadku | 250 cm |
Wysokość podestów | 120, 150, 180 cm |
Zjeżdżalnie | 150 cm |
Zgodność z normą PN-EN | 1176-1+A1:2024-03 |
Masa najcięższej części | 63,0 kg |
Wymiar największej części | 430x14x14 cm |
Dostępność części zamiennych | TAK |

Profesjonalna produkcja, pakowanie i dostawa

Certyfikaty renomowanych instytucji

Najwyższa jakość materiałów































































































































































































































































